9급 국가직 공무원 토목설계 (2011년04월09일 기출문제)
1과목 : 과목 구분 없음
1번
철근콘크리트가 성립할 수 있는 이유로 옳지 않은 것은?
2번
철근의 설계기준 항복강도와 지배단면 변형률 한계 사이의 관계가 옳지 않은 것은 ?
3번
프리스트레스트 콘크리트(PSC)의 설계 시 균열검토를 수행해야 하는 이유로 옳지 않은 것은?
4번
보통의 골재를 사용한 콘크리트의 설계기준강도 fck=19MPa 일 때 콘크리트의 탄성계수[MPa]는?
5번
기둥에서 장주와 단주의 구별에 대한 설명으로 옳지 않은 것은?
6번
길이가10m인캔틸레버보에자중을포함한계수하중 ωu=20kN/m가 작용할 때 전단철근이 필요한 구간 x[m]는? (단, 최소전단철근 배근 구간은 제외한다. 그리고 폭 b=400mm, 유효깊이 d=600mm, fck=25MPa 이다)

7번
PS 강재의 탄성계수 Eps=2×105MPa이고 콘크리트의 건조 수축률 ϵsh=25×10-5일 때, 콘크리트 건조수축에 의한 PS 강재의 프리스트레스 감소율을 5%로 제어하기 위한 초기 프리 스트레스 값[MPa]은?
8번
그림과 같이 콘크리트 기초판과 기둥의 중심에 수직하중과 모멘트가 작용하고 있다. 콘크리트 기초판과 기초 지반 사이에 인장응력이 작용하지 않도록 하기 위한 최소 수직하중[kN]은? (단, 자중에 의한 하중효과는 무시하고, 하중계수는 고려하지 않는다)

9번
지속하중에 의한 탄성처짐이 20mm 발생한 캔틸레버보의 5년간의 장기처짐을 포함한 총처짐[mm]은? (단, 보의 인장철근비는 0.06, 압축철근비는 0.02, 지속하중의 재하기간에 따른 계수는 2.0 이다)
10번
철근콘크리트 구조물의 전단과 비틀림 설계에 대한 설명으로 옳지 않은 것은?
11번
휨과 압축을 받는 직사각형 단주의 설계에 대한 설명으로 옳지 않는 것은?
12번
프리스트레스트 콘크리트 부재에 프리스트레스 도입으로 인한 콘크리트 압축응력 fcs=5MPa이고, 콘크리트 크리프계수 Cu=2.0, 탄성계수비 n=6일 때, 콘크리트 크리프에 의한 PS 강재의 프리스트레스 감소량[MPa]은?
13번
표준갈고리에 대한 설명으로 옳지 않은 것은?
14번
플레이트 거더의 보강재에 대한 설명으로 옳지 않은 것은 ?
15번
옹벽의 안정검토에 대한 설명으로 옳지 않은 것은? (단, ∑H는 수평력의 합, y는 기초저판 아래면에서 수평력 작용점까지의 높이, ∑V는 수직력의 합, x는 기초저판 앞면에서 수직력 작용점까지의 거리, μ는 마찰계수, B는 기초저판의 폭이다)
16번
도로교 내진설계 시 고려사항으로 옳지 않은 것은 ?
17번
그림과 같이 지간이 8m인 프리스트레스트 콘크리트 단순보에 PS 강재가 직선으로 단면의 도심에 배치되어 있고 1,200kN의 프리스트레스 힘이 작용하고 있다. 보의 단위중량을 25kN/m3로 가정할 때, 보의 중앙단면 하연의 응력이 0(zero) 이 되도록 하기 위해 자중 외에 추가로 가해 주어야 하는 등분포하중 ω[kN/m]은?

18번
그림과 같은 연결에서 볼트가 지지할 수 있는 인장력[kN]은? (단, 허용전단응력 vsa=200MPa, 허용지압응력 fba=300MPa, π=3으로 계산한다)

19번
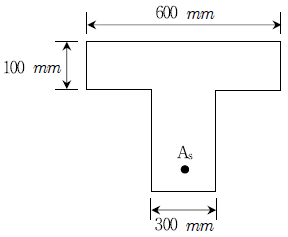
그림과 같은 철근콘크리트 T형보의 휨강도 계산시 플랜지 상연에서 중립축까지의 거리와 가장 가까운 값[mm]은? (단, 콘크리트 압축강도 fck=25MPa, 철근의 항복강도 fy=300MPa, 철근 단면적 As=5,000mm2이다)

20번
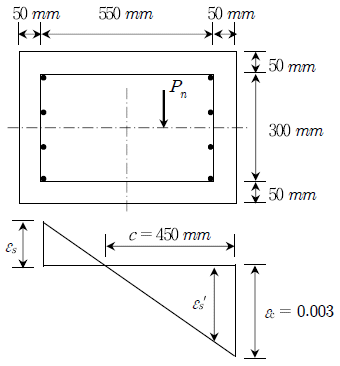
압축과 휨을 받는 띠철근 기둥(단주)이 그림과 같은 변형률 분포를 나타낼 때 도심으로부터 편심을 갖는 공칭 축하중강도 Pn[kN]는? (단,
, Es=2.0×105MPa이다. 또한 압축철근은 항복한 것으로 가정하고, 철근의 압축력 Cs=As′fy를 사용한다)
, Es=2.0×105MPa이다. 또한 압축철근은 항복한 것으로 가정하고, 철근의 압축력 Cs=As′fy를 사용한다)